山東萬象環境科技有限公司
聯系人:周經理
聯系電話:19853697985
客服Q Q:3836021633
公司地址:山東省濰坊高新區新城街道玉清社區光電路155號濰坊高新區光電產業加速器(一期)1號樓301

PRODUCT
聯系人:周經理
聯系電話:19853697985
客服Q Q:3836021633
公司地址:山東省濰坊高新區新城街道玉清社區光電路155號濰坊高新區光電產業加速器(一期)1號樓301

產品型號:WX-CZ2
產品價格:電議
產品品牌:萬象系
一、二要素車載氣象站產品簡介
二要素車載氣象站又稱車載氣象站,車載式自動氣象站,二要素車載氣象站采用二要素一體式傳感器,可對風速、風向進行實時觀測,廣泛運用于氣象、農林、環保、海洋、機場、港口、科學考察、校園教育等領域。
WX-CZ2車載氣象站是一款高度集成、低功耗、可快速安裝、便于移動監測的高精度自動氣象觀測設備。
廣泛運用于氣象、農林、環保、海洋、機場、港口、科學考察、校園教育等領域。
該設備采用二要素一體式傳感器,可對風速、風向進行實時觀測,傳感器外殼采用進口ABS材質,更有效對抗鹽霧等環境,防護等級達到IP65以上。
標配485轉USB(有線連電腦)、藍牙(無線連安卓手機),可毫秒級采集。選配網卡傳輸,傳輸間隔最低1min。
二、產品特點
1、頂蓋隱藏式超聲波探頭,避免雨雪堆積的干擾,避免自然風遮擋
2、原理為發射連續變頻超聲波信號,通過測量相對相位來檢測風速
3、設備底部配備高強度磁鐵(橡膠包裹),可無損吸附于車頂。
4、減震防護拉桿箱,方便攜帶
5、內置電子羅盤,自動找北
6、北斗與GPS雙模定位,最高精度0.1米
三、技術參數
1、風速:超聲波原理,0~60m/s(±0.1m/s),可測真實風速
2、風向:超聲波原理,0~360°(±2°)
3、數據存儲:不少于50萬條;
4、功耗:1.75W
5、鋰電池:容量12000maH,續航時間≥50h
6、總重量:≤5kg;
7、布設時間:1人,不大于2分鐘完成布設;
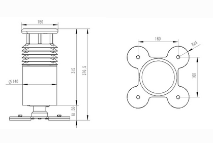
四、尺寸圖

五、上位機軟件介紹
1、PC單機版數據接收、存儲、查看、分析軟件
2、支持串口數據接收、處理、展示
3、支持json字符串、modbus485等通信方式
4、可自設置存儲時間,modbus485采集模式下可自設置采集時間
5、支持自助增加、刪除、修改監測參數的協議、名稱、圖標等
6、支持數據后處理功能
7、支持外置運行javascript腳本
六、安卓APP介紹
1、安卓單機版數據接收、存儲、查看、分析軟件
2、支持藍牙數據接收
3、手機休眠后軟件后臺接收、處理
4、json數據自動添加設備,modbus設備支持掃碼添加設備
5、支持歷史數據查看、分析、導出表格,支持曲線展示、單數據點查看。
6、支持數據后處理功能
7、支持外置運行javascript腳本
七、云平臺介紹 (選配)
1、CS架構軟件平臺,支持手機、PC瀏覽器直接觀測、無需額外安裝軟件。
2、支持多帳號、多設備登錄
3、支持實時數據展示與歷史數據展示儀表板
4、云服務器、云數據存儲,穩定可靠,易于擴展,負載均衡。
5、支持短信報警及閾值設置
6、支持地圖顯示、查看設備信息。
7、支持數據曲線分析
8、支持數據導出表格形式
9、支持數據轉發,HJ-212協議,TCP轉發,http協議等。
10、支持數據后處理功能
11、支持外置運行javascript腳本
校園自動氣象站:一所學校與天氣的對話
2025-11-11 08:36:56水文流量站:在青海省海南州上的優勢盡顯
2025-09-08 09:49:00水位雨量流速流量監測站:硬核設計,多維感知水文變化
2025-04-08 12:54:04水文監測系統:智馭水流,守護流域安全
2024-09-23 08:47:00農業四情監測系統——為農業生產提供科學決策依據
2024-07-29 08:45:46并網式光伏環境氣象站,從陽光到數據:氣象站如何解碼光伏發電密碼?
2025-11-04 11:05:08農業氣象監測站如何照顧作物?
2025-11-03 11:11:15能見度監測站,從模糊到清晰:一臺設備如何看透迷霧中的危險
2025-11-03 11:09:42蟲情早發現:物聯網蟲情測報儀守護農田
2026-03-18 11:04:05一眼識真假,真假肉檢測儀守護每一口安心肉
2026-03-18 11:02:54